分类:连接器产品
兼容/替代panasonic|松下|P5KF系列 板对板连接器是一款:间距0.5mm、组合高度1.5mm~2.5mm的连接器,Panasonic P5Kx窄间距连接器提供板对板连接,包括3.0mm至9.0 mm的插接高度版本。P5Kx连接器具有较强的抗恶劣环境能力和较长的纬度交配长度,连接器还具有吸力式自动贴片机的吸力区域。其主要特点:1、丰富的产品阵容。2、可适应各种环境的“TOUGH CONTACT”构造。3、采用简易锁定机构,良好的插拔触感。4、有效组合长度达到0.55mm。5、适用移动设备、工业设备【世贸电子产品网提供panasonic|松下|P5KF系列 板对板连接器替代品】

------------------------------------------------------------------------------------------------
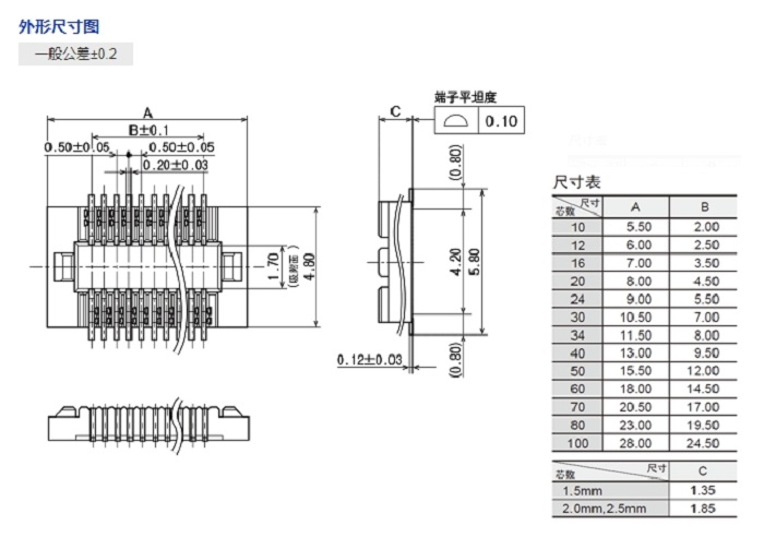
1、兼容/替代panasonic|松下|P5KF系列 板对板连接器产品规格详情:
| 型号 | AXK5F40347YG |
| 连接器型 | 基板对基板, 基板对FPC |
| 按分类 | 2 片型 (插座) |
| 插座/插头 | 插头 |
| 用途 | 移动设备, 工业机器 |
| 端子间距(mm) | 0.5 |
| 芯数 | 40 |
| 组合高度(mm) | 1.5mm |
| 包装方式 | 包装卷带、塑料卷盘包装 |
| 包装数量/内箱 | 2,000个 (1卷盘) |
| 包装数量/外箱 | 4,000个 |
| 增强焊接性能装置(有无) | 无 |
| 定位支柱 | 无 |
| 本体长度(L mm) | 9 |
| 本体高度(H mm) | 1.35 |
| PIN脚尺寸(D mm) | 5.8 |
| 基板推荐加工尺寸 宽度(mm) | 6.8 |
| 额定电流 | 0.5A/端子(所有芯数共计为10A以下) |
| 耐电压 | AC150V 1分钟 |
| 绝缘电阻 (MΩ以上)(初始) | 1000 |
| 接触电阻 (mΩ以下) | 90 |
| 插拔寿命(次) | 50 |
| 材质(成形树脂名) | 耐热性树脂(UL94V-0) |
| 材质(端子/金属端子) | 铜合金 |
| 表面处理材质(端子/金属端子) | 底层电镀Ni,表层电镀Au |
------------------------------------------------------------------------------------------------
2、兼容/替代panasonic|松下|P5KF系列 板对板连接器规格书:

------------------------------------------------------------------------------------------------
3、兼容/替代panasonic|松下|P5KF系列 板对板连接器产品料号/型号清单:
| AXK5F10347YG | AXK5F12347YG | AXK5F16347YG | AXK5F20347YG | AXK5F24347YG |
| AXK5F30347YG | AXK5F34347YG | AXK5F40347YG | AXK5F50347YG | AXK5F60347YG |
| AXK5F70347YG | AXK5F80347YG | AXK5F10547YG | AXK5F12547YG | AXK5F16547YG |
| AXK5F20547YG | AXK5F24547YG | AXK5F30547YG | AXK5F34547YG | AXK5F40547YG |
| AXK5F50547YG | AXK5F60547YG | AXK5F70547YG | AXK5F80547YG |
------------------------------------------------------------------------------------------------
4、板对板连接器-提供兼容panasonic|松下|P5KF系列 板对板连接器替代品 此产品销售商:
世贸电子产品网--代理销售提供【板对板连接器-提供兼容panasonic|松下|P5KF系列 板对板连接器替代品】以及专业代理/生产/销售各种{连接器|线束|线缆产品};如果您想购买或了解我们可提供哪些连接器|线束|线缆产品解决方案,欢迎通过下面方式联系我们。